Mạch điện cầu thang đóng vai trò quan trọng trong việc điều khiển đèn chiếu sáng, đảm bảo an toàn và tiện lợi khi di chuyển. Tuy nhiên, không phải ai cũng biết cách lắp đặt một hệ thống mạch điện cầu thang đúng cách. Để giúp bạn dễ dàng hơn trong việc này, bài viết sẽ giới thiệu top 4 sơ đồ mạch điện cầu thang phổ biến nhất hiện nay. Với các hướng dẫn chi tiết, bạn sẽ nắm rõ cách thiết lập và áp dụng vào thực tế, giúp hệ thống điện của ngôi nhà hoạt động hiệu quả và an toàn hơn.
Mạch điện cầu thang Là Gì?
Mạch điện cầu thang là một hệ thống điện được thiết kế đặc biệt để điều khiển ánh sáng trong khu vực cầu thang của ngôi nhà. Đây là một giải pháp tiện ích giúp người sử dụng có thể bật hoặc tắt đèn cầu thang từ nhiều điểm khác nhau, giúp dễ dàng hơn trong việc di chuyển qua lại, đặc biệt là vào ban đêm hoặc trong điều kiện ánh sáng yếu. Mạch điện cầu thang không chỉ đảm bảo sự an toàn mà còn mang lại sự tiện lợi cho người dùng.

Mạch điện cầu thang là tên gọi của mạch điện hai công tắc ba cực điều khiển một đèn. Dưới đây mời bạn đọc cùng tìm hiểu về sơ đồ mạch điện, tại sao lại cần có sơ đồ mạch điện khi thi công xây dựng điện.
Sơ đồ mạch điện cầu thang là gì?
Sơ đồ mạch điện cầu thang là bản vẽ chi tiết mô tả cách thức kết nối các thiết bị điện như công tắc, bóng đèn và dây dẫn trong hệ thống mạch điện cầu thang. Sơ đồ này giúp các kỹ thuật viên và thợ điện hiểu rõ cách lắp đặt và đấu nối các thành phần của mạch điện, đảm bảo hoạt động của hệ thống theo đúng yêu cầu. Một sơ đồ mạch điện cầu thang chuẩn sẽ giúp việc lắp đặt và sửa chữa trở nên dễ dàng và chính xác hơn.

Xem thêm: Công Tắc Cầu Thang Là Gì? Và 3 Loại Công Tắc Phổ Biến
Top 4 Sơ Đồ Mạch Điện Cầu Thang
Khi thiết kế hệ thống chiếu sáng cho cầu thang, việc lựa chọn sơ đồ mạch điện phù hợp là rất quan trọng để đảm bảo tính tiện ích và an toàn. Tùy vào lựa chọn số lượng bóng đèn cho khu vực cầu thang nhà bạn, sẽ cần những thiết bị điện để điều khiển bóng đèn. Dưới đây là 4 sơ đồ mạch điện cầu thang phổ biến bạn đọc có thể tham khảo và ứng dụng như sau:
Sơ đồ mạch Điện Cầu Thang 1 Công Tắc 1 Bóng Đèn
Sơ đồ mạch điện cầu thang với 1 công tắc và 1 bóng đèn là giải pháp cơ bản và hiệu quả cho việc chiếu sáng trong khu vực cầu thang. Với cấu hình đơn giản này, bạn có thể dễ dàng kiểm soát nguồn sáng từ một vị trí duy nhất, giúp tiết kiệm chi phí và giảm thiểu sự phức tạp trong lắp đặt. Loại mạch điện này thường được sử dụng trong những ngôi nhà nhỏ hoặc những khu vực cầu thang không yêu cầu điều khiển ánh sáng từ nhiều điểm.
Sơ đồ đấu nối

Các thiết bị cần thiết
- 1 Công tắc 1 chiều (hay công tắc 2 cực, công tắc đơn)
- 1 Đèn cầu thang (có rất nhiều loại đèn cầu thang bạn có thể lựa chọn)
Tìm hiểu thêm về:
Dù có thiết kế đơn giản, nhưng sơ đồ mạch điện này vẫn đảm bảo chức năng chiếu sáng hiệu quả và dễ dàng sử dụng. Hãy cùng khám phá cách lắp đặt và nguyên lý hoạt động của sơ đồ mạch điện này để hiểu rõ hơn về ứng dụng của nó trong việc tạo ra một môi trường ánh sáng an toàn và tiện lợi.
Sơ đồ mạch Điện Cầu Thang 2 Công Tắc 1 Bóng Đèn
Sơ đồ mạch điện cầu thang với 2 công tắc và 1 bóng đèn là một giải pháp tiện ích giúp điều khiển ánh sáng trong khu vực cầu thang từ hai vị trí khác nhau. Loại mạch điện này rất phù hợp cho những ngôi nhà có cầu thang dài hoặc khu vực cần được chiếu sáng từ nhiều điểm. Với thiết kế đơn giản nhưng hiệu quả, sơ đồ này cho phép người dùng dễ dàng bật hoặc tắt đèn mà không cần quay lại vị trí trước đó.
Sơ đồ đấu nối

Các thiết bị cần thiết
- 2 Công tắc 2 chiều (hay công tắc 3 cực, công tắc đảo chiều)
- 1 Đèn cầu thang (có rất nhiều loại đèn cầu thang bạn có thể lựa chọn)
Tìm hiểu thêm về:
- Công tắc 3 cực là gì? Nguyên lý làm việc và cấu tạo công tắc ba cực
- Cách Đấu 2 Công Tắc 1 Bóng Đèn Tại Nhà
Đây là lựa chọn lý tưởng cho việc tăng cường sự an toàn và tiện nghi trong quá trình di chuyển qua cầu thang, đặc biệt là trong điều kiện ánh sáng yếu hoặc vào ban đêm. Hãy cùng tìm hiểu chi tiết cách lắp đặt và nguyên lý hoạt động của sơ đồ mạch điện này để tối ưu hóa ánh sáng cho ngôi nhà của bạn.
Sơ đồ mạch Điện Cầu Thang 2 Công Tắc 2 Bóng Đèn
Sơ đồ này cho phép điều khiển hai bóng đèn cầu thang từ hai công tắc khác nhau, mỗi công tắc có thể điều khiển một bóng đèn. Đây là lựa chọn phổ biến cho các cầu thang có ánh sáng phân bổ đều trên cả hai bên.
Sơ đồ đấu nối

Các thiết bị cần thiết
- 1 Đèn cầu thang (có rất nhiều loại đèn cầu thang bạn có thể lựa chọn)
- 2 Công tắc
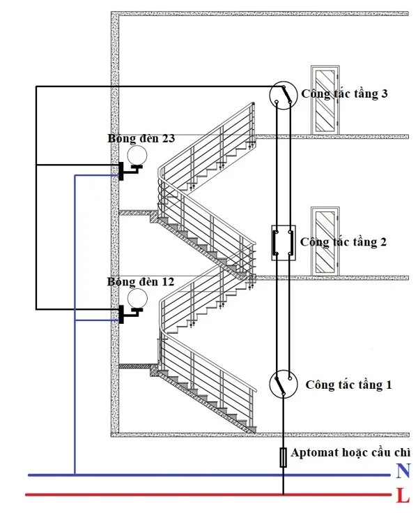
Sơ đồ mạch Điện Cầu Thang 3 Công Tắc 2 Bóng Đèn
Với sơ đồ này, bạn có thể điều khiển hai bóng đèn cầu thang từ ba công tắc. Điều này mang lại sự linh hoạt trong việc điều chỉnh ánh sáng theo từng nhu cầu và điều kiện cụ thể.
Sơ đồ đấu nối

Các thiết bị cần thiết
- 3 Công tắc
- 1 Đèn cầu thang (có rất nhiều loại đèn cầu thang bạn có thể lựa chọn)
Tổng Kết
Mạch điện cầu thang là một phần quan trọng trong hệ thống điện của ngôi nhà, giúp điều khiển ánh sáng cầu thang một cách tiện lợi và an toàn. Các sơ đồ mạch điện cầu thang đa dạng cho phép bạn chọn lựa giải pháp phù hợp nhất với nhu cầu sử dụng và cấu trúc ngôi nhà. Việc hiểu rõ và áp dụng đúng sơ đồ mạch điện sẽ giúp cải thiện hiệu quả sử dụng ánh sáng và nâng cao sự tiện nghi trong cuộc sống hàng ngày.



